Schaltet das Abblendlicht aus, wenn man aufblendet?
Schaltet das Abblendlicht aus, wenn man aufblendet?
Hallo,
möchte mal mehrere Meinungen einholen. Bei meinem 72er US E9 schaltet das Abblendlicht aus, wenn ich das Fernlicht einschalte. Bei Lichthupe bleibt das Abblendlicht weiterhin an. Ansonsten funktioniert alles einwandfrei. Gibt es da im Baujahr oder in Ausführung Unterschiede, dass bei einigen E9 das Fernlicht an bleibt und bei einigen ausgeht, oder gibt es noch irgendwo ein zweites Relais für diese Geschichte? Das im Motorraum habe ich schon mal durchgetauscht, da ändert sicht nichts.
Gruß
Andi
möchte mal mehrere Meinungen einholen. Bei meinem 72er US E9 schaltet das Abblendlicht aus, wenn ich das Fernlicht einschalte. Bei Lichthupe bleibt das Abblendlicht weiterhin an. Ansonsten funktioniert alles einwandfrei. Gibt es da im Baujahr oder in Ausführung Unterschiede, dass bei einigen E9 das Fernlicht an bleibt und bei einigen ausgeht, oder gibt es noch irgendwo ein zweites Relais für diese Geschichte? Das im Motorraum habe ich schon mal durchgetauscht, da ändert sicht nichts.
Gruß
Andi
- Christoph, Bonn
- Beiträge: 876
- Registriert: Mo 30. Dez 2013, 22:08
- Wohnort: Bonn
Re: Schaltet das Abblendlicht aus, wenn man aufblendet?
Hi Andi,
Abblendlicht und Fernlicht dürfen zeitgleich betrieben werden.
Sowohl kurz (Lichthupe) als auch dauernd, konstant.
Man darf aber max 2 "Lampenpaare" gleichzeitig betreiben.
Darum gibt es das "Fernlichtentlastungsrelais".
Das hat eine Verbindung zu den Nebellampen, als drittes Lampenpaar.
Nicht das da der Fehler in Deine Schaltung liegt.
Gruß, Christoph
Abblendlicht und Fernlicht dürfen zeitgleich betrieben werden.
Sowohl kurz (Lichthupe) als auch dauernd, konstant.
Man darf aber max 2 "Lampenpaare" gleichzeitig betreiben.
Darum gibt es das "Fernlichtentlastungsrelais".
Das hat eine Verbindung zu den Nebellampen, als drittes Lampenpaar.
Nicht das da der Fehler in Deine Schaltung liegt.
Gruß, Christoph
Re: Schaltet das Abblendlicht aus, wenn man aufblendet?
Hallo Christoph,
die gesetzlichen Vorschriften kenne ich. Die Frage war jetzt, ob die bei allen E9 zusammen brennen, oder nicht.Wenn ja, dann muss ich wohl ein neues Kabel legen, denn eine andere Schaltung ist irgendwie nicht möglich.Nebellampen sind bei mir nicht verbaut.
Gruß
Andi
die gesetzlichen Vorschriften kenne ich. Die Frage war jetzt, ob die bei allen E9 zusammen brennen, oder nicht.Wenn ja, dann muss ich wohl ein neues Kabel legen, denn eine andere Schaltung ist irgendwie nicht möglich.Nebellampen sind bei mir nicht verbaut.
Gruß
Andi
Schaltet das Abblendlicht aus, wenn man aufblendet?
Moin Andi, morgen Christoph,
m.E. ist die Funktion so wie es bei Andis E9 jetzt funktioniert doch richtig?: wenn über den Lichtschalter das Fernlicht eingeschaltet wird sollte das Abblendlicht ausgehen. Nur beim normalerweise kurzzeitigem Betrieb des Fernlichts wird das Fahrlicht nicht ausgeschaltet.
Es gibt wohl in der US-Version zum einem die inneren Lampen nur für Fernlicht, und dann die äußeren Lampen mit Fahrlicht und Fernlicht. Hier wird eine 2-Faden-Lampe eingesetzt. Würde hier Fernlicht- und Abblendlicht über längere Zeit gleichzeitig betrieben wäre ein vorzeitiger Hitzetod des Leuchtmittels wahrscheinlich, der Beschichtung des Reflektors würde es auch nicht gut tun.
Gruß
Thomas
m.E. ist die Funktion so wie es bei Andis E9 jetzt funktioniert doch richtig?: wenn über den Lichtschalter das Fernlicht eingeschaltet wird sollte das Abblendlicht ausgehen. Nur beim normalerweise kurzzeitigem Betrieb des Fernlichts wird das Fahrlicht nicht ausgeschaltet.
Es gibt wohl in der US-Version zum einem die inneren Lampen nur für Fernlicht, und dann die äußeren Lampen mit Fahrlicht und Fernlicht. Hier wird eine 2-Faden-Lampe eingesetzt. Würde hier Fernlicht- und Abblendlicht über längere Zeit gleichzeitig betrieben wäre ein vorzeitiger Hitzetod des Leuchtmittels wahrscheinlich, der Beschichtung des Reflektors würde es auch nicht gut tun.
Gruß
Thomas
Zuletzt geändert von TomHom am Mo 24. Jan 2022, 10:34, insgesamt 2-mal geändert.
Re: Schaltet das Abblendlicht aus, wenn man aufblendet?
Hallo
Standardmässig sind sowohl bei Abblendlicht wie bei Fernlicht H1-Lampen drin. Beim äusseren Scheinwerferpaar handelt es sich um reine Abblendlicht-Scheinwerfer (OK, plus Standlicht ...). Das Fernlicht wird zugeschaltet, d.h. es leuchten dann vier Scheinwerfer.
Bei der US-Version mag das anders sein, da müsste man wohl den Stromlaufplan konsultieren ...
Gruss
Peter
Standardmässig sind sowohl bei Abblendlicht wie bei Fernlicht H1-Lampen drin. Beim äusseren Scheinwerferpaar handelt es sich um reine Abblendlicht-Scheinwerfer (OK, plus Standlicht ...). Das Fernlicht wird zugeschaltet, d.h. es leuchten dann vier Scheinwerfer.
Bei der US-Version mag das anders sein, da müsste man wohl den Stromlaufplan konsultieren ...
Gruss
Peter
Schaltet das Abblendlicht aus, wenn man aufblendet?
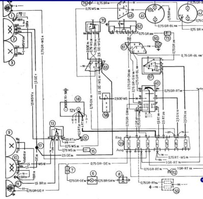
Hallo,
hier ein Ausschnitt aus dem Schaltplan in englisch, ich denke er ist für die US-Version. Hier hat die äußere Lampe einen low-beam (Abblendlicht) und einen high-beam (Fernlicht) Glühfaden, die innere Lampe nur einen high-beam (Fernlicht). D.h. in der US-Version brennen bei Fernlicht insgesamt vier Lampen!
Ich denke dies ist die Schaltung wie sie in Andis US-Version verbaut wurde.
Gruß
Thomas
hier ein Ausschnitt aus dem Schaltplan in englisch, ich denke er ist für die US-Version. Hier hat die äußere Lampe einen low-beam (Abblendlicht) und einen high-beam (Fernlicht) Glühfaden, die innere Lampe nur einen high-beam (Fernlicht). D.h. in der US-Version brennen bei Fernlicht insgesamt vier Lampen!
Ich denke dies ist die Schaltung wie sie in Andis US-Version verbaut wurde.
Gruß
Thomas
Zuletzt geändert von TomHom am Mo 24. Jan 2022, 17:24, insgesamt 1-mal geändert.
Re: Schaltet das Abblendlicht aus, wenn man aufblendet?
Hallo Thomas
Gute Darstellung, dürfte dem Schaltplan für die US-Version entstammen - der äussere Scheinwerfer verfügt über Fahrlicht und Fernlicht, der innere nur über Fernlicht.
Das Standlicht ist im Blinker-Gehäuse (muss Andi auch ändern).
Andi tut mir etwas leid, wenn er das auf EU-Standard umbauen muss. Eine Option wäre vielleicht, H4-Einsätze für die äusseren Scheinwerfer einzubauen.
Gruss
Peter
Gute Darstellung, dürfte dem Schaltplan für die US-Version entstammen - der äussere Scheinwerfer verfügt über Fahrlicht und Fernlicht, der innere nur über Fernlicht.
Das Standlicht ist im Blinker-Gehäuse (muss Andi auch ändern).
Andi tut mir etwas leid, wenn er das auf EU-Standard umbauen muss. Eine Option wäre vielleicht, H4-Einsätze für die äusseren Scheinwerfer einzubauen.
Gruss
Peter
Schaltet das Abblendlicht aus, wenn man aufblendet?
....was spricht dagegen es so zu lassen?
Thomas
Thomas
Re: Schaltet das Abblendlicht aus, wenn man aufblendet?
Hallo Thomas
Ja, eigentlich hast Du recht. Bei Autos, die ausschliesslich über H4-Einsätze verfügen, brennt auch kein Abblendlicht, wenn das Fernlicht eingeschaltet ist.
Wesentlich ist, dass zwischen dem Ausschalten des Fernlichts und dem Einschalten des Abblendlichts kein Unterbruch in der Fahrbahnausleuchtung entsteht, aber das dürfte ja bei der US-Version sichergestellt sein.
Gruss
Peter
Re: Schaltet das Abblendlicht aus, wenn man aufblendet?
Hallo,
vielen Dank für Eure Antworten und Bilder. Nun weiß ich bescheid, wie es eigentlich ist. Das Standlicht habe ich schon umgerüstet, da ich ja auch die originalen Scheinwerfer und Blinker eingebaut habe. Mich würde es nicht stören, wenn das so bleiben würde, ist nur die Frage, was der TÜV dazu sagt.
Wenn ich aber nun ein neues Kabel vom Lichtschalter zum Abblendlicht ziehe, müsste es doch aber auch gehen und dann weiter leuchten, beim Einschalten vom Fernlicht. Irgendwas muss da ja unterbrechen, vielleicht der Fernlichtschalter? Das Abblendlicht läuft ja nicht über ein Relais, oder?
Gruß
Andi
vielen Dank für Eure Antworten und Bilder. Nun weiß ich bescheid, wie es eigentlich ist. Das Standlicht habe ich schon umgerüstet, da ich ja auch die originalen Scheinwerfer und Blinker eingebaut habe. Mich würde es nicht stören, wenn das so bleiben würde, ist nur die Frage, was der TÜV dazu sagt.
Wenn ich aber nun ein neues Kabel vom Lichtschalter zum Abblendlicht ziehe, müsste es doch aber auch gehen und dann weiter leuchten, beim Einschalten vom Fernlicht. Irgendwas muss da ja unterbrechen, vielleicht der Fernlichtschalter? Das Abblendlicht läuft ja nicht über ein Relais, oder?
Gruß
Andi
- Christoph, Bonn
- Beiträge: 876
- Registriert: Mo 30. Dez 2013, 22:08
- Wohnort: Bonn
Re: Schaltet das Abblendlicht aus, wenn man aufblendet?
edit,
bzw. gelöscht, mir war nicht klar, das bei US Version im äusseren Reflektor ein 2 Faden Leuchtmittel ist.
(für Abblendlicht und zusätzliches Fernlicht, also Fernlicht über 2 Reflektoren)
bzw. gelöscht, mir war nicht klar, das bei US Version im äusseren Reflektor ein 2 Faden Leuchtmittel ist.
(für Abblendlicht und zusätzliches Fernlicht, also Fernlicht über 2 Reflektoren)
Zuletzt geändert von Christoph, Bonn am Mo 24. Jan 2022, 19:25, insgesamt 3-mal geändert.
Re: Schaltet das Abblendlicht aus, wenn man aufblendet?
Christoph, Bonn hat geschrieben: Mo 24. Jan 2022, 12:18...bei dem Schaltplan:TomHom hat geschrieben: Mo 24. Jan 2022, 10:12 Hallo,
hier ein Ausschnitt aus dem Schaltplan in englisch, ich denke er ist für die US-Version.
E9 low beam high beam.JPG
Hier hat die äußere Lampe einen low-beam und einen high-beam Glühfaden, die innere Lampe nur einen low-beam.
Ich denke dies ist die Schaltung wie sie in Andis US-Version verbaut wurde.
Gruß
Thomas
geht Standlicht (low) an, wenn an "white" Potenzial liegt, über das Nebelrelais
geht Abbendlicht und Fernlicht (2xhigh) gleichzeitig an, wenn an "white-violet" Potenzial liegt
aber was ist mit (red)
...eigentlich braucht man den ganzen Plan rund um die Lampen
Hallo Christoph,
den kompletten Plan hier zu zeigen würde nichts bringen, Du würdest nichts mehr erkennen. Ich kann aber jedem der mich diesbezüglich anmailt die Datei zukommen lassen.
Um es nochmal zu betonen: wir diskutieren hier die US-Version. Sie hat laut Schaltplan in den äußeren Lampen zwei Glühfäden: einen für High Beam (Fernlicht) und einen für Low Beam (Abblendlicht). Die inneren Lampen haben nur High Beam (Fernlicht). Bei Fernlicht gehen also beide Lampen an.
Hierbei geht bei Andi das Abblendlicht aus.
Zudem ist das Standlicht im Blinker integriert. Dies geht hier in Deutschland nicht, Standlicht muss weiß sein.
Bei der europäischen Version ist es anders. Hier sitzt außen die Lampe für Abblendlicht (mit Standlicht integriert) und innen das Fernlicht.
Beides H1-Lampen, bei Fernlicht bleibt das Abblendlicht an.
Ich habe hier mal die Ansteuerung für die äußere Lampe, also die mit Fernlicht und Abblendlicht, skizziert: Rot ist Dauerplus und kommt direkt von der Batterie
Braun ist Masse
Weiß-Gelb bringt Potential über das Fernlicht-Relay ans Fernlicht. Wenn weiß Potential hat dann zieht das Relais an und schaltet den Plus durch zum weiß-gelben.
Gelb bringt Potential vom Lichtschalter über den Dimmerschalter ans Abblendlicht
Weiß geht zum Nebelscheinwerfer-Relais, stelllt sicher dass die Nebelscheinwerfer ausgehen wenn Fernlicht an ist, hatten wir hier schon mal
viewtopic.php?f=2&t=27063&p=33112&hilit ... 4fa#p33112
Die Verschaltung des Lichtschalters muss ich mir erstmal selber erklären, ebenso ist mir nicht ersichtlich wie die Lichthupe verschaltet ist.
Alles natürlich ohne Gewähr! Und nicht vergessen, ist die US-Version die hier diskutiert wird!
Für die Zulassung hier in Deutschland müssen dann Lampen mit E1-Zeichen verbaut werden, die äußeren sollten dann auch das Parklicht integriert haben.
Die Ansteuerung muss eh angepasst werden. Entweder auf Fernlicht und Abblendlicht zusammen oder wenn Fernlicht dann Abblendlicht aus?
Gruß
Thomas
Zuletzt geändert von TomHom am Mo 24. Jan 2022, 16:20, insgesamt 1-mal geändert.
Re: Schaltet das Abblendlicht aus, wenn man aufblendet?
Hallo Thomas,
vielen Dank nochmals für deine Mühen. Klasse!
So wie es auf der Skizze ersichtlich ist, muss irgendetwas die Leitung zum Lichtschalter/Dimmer unterbrechen, wenn ich Fernlicht einschalte. Den Übeltäter gilt es jetzt zu finden.
Gruß
Andi
vielen Dank nochmals für deine Mühen. Klasse!
So wie es auf der Skizze ersichtlich ist, muss irgendetwas die Leitung zum Lichtschalter/Dimmer unterbrechen, wenn ich Fernlicht einschalte. Den Übeltäter gilt es jetzt zu finden.
Gruß
Andi
Re: Schaltet das Abblendlicht aus, wenn man aufblendet?
Hallo Andi,
bevor Du mit dem Seitenschneider anrückst gib uns noch ein wenig Zeit. Welche Lampen mit E-Zeichen hast Du denn schon besorgt?
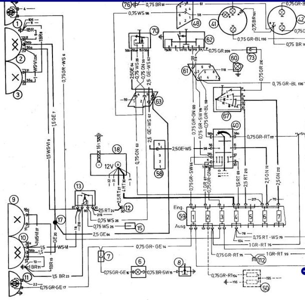
Hier schon mal der Ausschnitt aus dem entsprechenden Stromlaufplan, die Farben der Adern sind Identisch, sollte nicht so schwierig sein das anzupassen.
p.s.: In meiner Skizze oben muss anstatt white-yellow white-violett stehen. Nimm erstmal den weißen fürs Fernlicht und den gelben fürs Abblendlicht und Standlicht. Dann schauen wir weiter.
Natürlich alles ohne Gewähr, mach mich nicht verantwortlich wenn Dein Auto abfackelt!
In dem Sinne
Thomas
bevor Du mit dem Seitenschneider anrückst gib uns noch ein wenig Zeit. Welche Lampen mit E-Zeichen hast Du denn schon besorgt?
Hier schon mal der Ausschnitt aus dem entsprechenden Stromlaufplan, die Farben der Adern sind Identisch, sollte nicht so schwierig sein das anzupassen.
p.s.: In meiner Skizze oben muss anstatt white-yellow white-violett stehen. Nimm erstmal den weißen fürs Fernlicht und den gelben fürs Abblendlicht und Standlicht. Dann schauen wir weiter.
Natürlich alles ohne Gewähr, mach mich nicht verantwortlich wenn Dein Auto abfackelt!
In dem Sinne
Thomas
Re: Schaltet das Abblendlicht aus, wenn man aufblendet?
Hallo
Das lässt mir auch keine Ruhe. Das Fahrlicht erhält den Strom, von Sicherung 6, geht über den Lichtschalter 40 und den Stecker 63 zum Abblendschalter 70 (Aufblenden/Abblenden/Lichthupe). Von da geht's dann wieder über den Stecker 63 zu den Anschlüssen 56b für Fahrlicht. Wenn beim Aufblenden das Fahrlicht ausgeschaltet wird, dann durch den Abblendschalter 70.
Das Fernlicht wird via Relais 13 direkt von der Batterie gespiesen. Relais 13 schaltet, wenn es Strom vom Abblendschalter 70 bekommt (welcher auch die Kontrolllampe bei 41 bedient). Der Strom kommt ebenfalls von Sicherung 6, braucht aber nur ein dünnes Kabel, da lediglich ein Relais bedient werden muss.
Ich könnte mir vorstellen, dass Andis Hund beim Abblendschalter begraben liegt. Die US-Version hat die Nummer 61 31 1 351 856, die Europa-Version die Nummer 61 31 351 854.
Beste Grüsse
Peter
Das lässt mir auch keine Ruhe. Das Fahrlicht erhält den Strom, von Sicherung 6, geht über den Lichtschalter 40 und den Stecker 63 zum Abblendschalter 70 (Aufblenden/Abblenden/Lichthupe). Von da geht's dann wieder über den Stecker 63 zu den Anschlüssen 56b für Fahrlicht. Wenn beim Aufblenden das Fahrlicht ausgeschaltet wird, dann durch den Abblendschalter 70.
Das Fernlicht wird via Relais 13 direkt von der Batterie gespiesen. Relais 13 schaltet, wenn es Strom vom Abblendschalter 70 bekommt (welcher auch die Kontrolllampe bei 41 bedient). Der Strom kommt ebenfalls von Sicherung 6, braucht aber nur ein dünnes Kabel, da lediglich ein Relais bedient werden muss.
Ich könnte mir vorstellen, dass Andis Hund beim Abblendschalter begraben liegt. Die US-Version hat die Nummer 61 31 1 351 856, die Europa-Version die Nummer 61 31 351 854.
Beste Grüsse
Peter
Zuletzt geändert von PiRho am Mo 24. Jan 2022, 17:31, insgesamt 1-mal geändert.
Re: Schaltet das Abblendlicht aus, wenn man aufblendet?
Hallo Peter,
das wird es sein! Also Schalter gegen EU-Version tauschen und nach Farben die Lampen neu verdrahten.
Gruß
Thomas
das wird es sein! Also Schalter gegen EU-Version tauschen und nach Farben die Lampen neu verdrahten.
Gruß
Thomas
Re: Schaltet das Abblendlicht aus, wenn man aufblendet?
Hallo,
toll, dass Ihr euch so viele Gedanken für mich macht und Ihr habt da auch Recht. Ich habe die Lösung gefunden.
Es liegt tatsächlich am Abblendlichtschalter, der die Stromzufuhr beim Einschalten der Fernlichtes unterbricht.
Die Änderung ist einfach und der Schalter muss nicht getauscht werden. Ich musste nur alle gelben Kabel (siehe Bild) miteinander verbinden und nun geht alles, wie es sein muss. Ich bin sehr froh darüber, dass wir das Problem so einfach lösen konnten.
Vielen Dank an alle!!
Gruß
Andi
toll, dass Ihr euch so viele Gedanken für mich macht und Ihr habt da auch Recht. Ich habe die Lösung gefunden.
Es liegt tatsächlich am Abblendlichtschalter, der die Stromzufuhr beim Einschalten der Fernlichtes unterbricht.
Die Änderung ist einfach und der Schalter muss nicht getauscht werden. Ich musste nur alle gelben Kabel (siehe Bild) miteinander verbinden und nun geht alles, wie es sein muss. Ich bin sehr froh darüber, dass wir das Problem so einfach lösen konnten.
Vielen Dank an alle!!
Gruß
Andi
Re: Schaltet das Abblendlicht aus, wenn man aufblendet?
Hallo Andi,
aber sei Dir darüber im Klaren: beim ersten Treffen mit uns wird es für Dich richtig teuer!
Gruß
Thomas
aber sei Dir darüber im Klaren: beim ersten Treffen mit uns wird es für Dich richtig teuer!
Gruß
Thomas
Re: Schaltet das Abblendlicht aus, wenn man aufblendet?
Hallo,
das kriegen wir hin.😉.
Gruss Andi
das kriegen wir hin.😉.
Gruss Andi