Seite 1 von 1
Hauptbremszylinder - Anschlüsse
Verfasst: Sa 10. Okt 2020, 19:45
von lothar
Hallo zusammen,
ich bin in der Restaurationsphase bei meinem 74er Csi angelangt wo ich
den Hauptbremszylinder wieder mit den Bremsleitungen verbinden kann.
Trotz mehrere Fotos von damals, kann ich leider nicht erkennen wo die
einzelnen Anschlüsse hingehören. Außer das die hintere Bremse an dem
HBZ unten, ganz vorne (Fahrtrichtung) angeschlossen wird. Es würde mir
reichen wenn mir bitte jemand die Info gäbe welche Leitungen an die
waagerechten Anschlüsse des HBZ anzuschließen sind. Der Rest würde
sich daraus ja ergeben. (perfekt wäre natürlich Bildmaterial )
Vielen Dank im Voraus !!!
Grüße vom Rande der Eifel
Lothar
Re: Hauptbremszylinder - Anschlüsse
Verfasst: So 11. Okt 2020, 10:32
von TomHom
Hallo Lothar,
das einfachste ist ein Blick in den Katalog von W&N
https://www.wallothnesch.com/bremse/bmw ... 34-06.html
Der Verlauf ist nur schematisch dargestellt, so verlaufen die Bremsleitungen für die linke Seite vorne vom HBZ erstmal nach hinten und dann nach unten.
Gruß
Thomas
Re: Hauptbremszylinder - Anschlüsse
Verfasst: So 11. Okt 2020, 11:02
von lothar
Hallo Thomas,
vielen Dank für deine Antwort.
Die Seite von W&N hatte ich auch gesehen. Für mich ist aber leider nicht mehr schlüssig aus meinen
Bildern zu sehen ob die Anschlüsse für z.Bsp. die Fahrerseite an den HBZ die waagerechten oder die
senkrechten Anschlüsse sind. Die Verlegung der Leitungen als solche ist schon klar.
Das konnte ich leider bisher auf keinen Bilder finden im Netz.
Grüße vom Rande der Eifel
Lothar
Hauptbremszylinder - Anschlüsse
Verfasst: So 11. Okt 2020, 13:19
von TomHom
Hallo Lothar,
Die beiden unteren Leitungen sind für die Fahrerseite links, die untere geht waagerecht an den Anschluss Nähe BKV.
Die zweite von unten waagerecht an den anderen Anschluss.
Die beiden oberen sind für die Beifahrerseite. Die untere der beiden geht unten an den Anschluss Nähe BKV.
Die oberste an den Anschluss unten vorne.
Gruß aus dem Münsterland
Thomas
Re: Hauptbremszylinder - Anschlüsse
Verfasst: Mo 12. Okt 2020, 10:45
von lothar
Hallo Thomas,
erstmal vielen Dank für die Bilder und deine Informationen.
Wenn ich das jetzt richtig verstanden habe, wird die Fahrerseite an die waagerechten Anschlüsse des
HBZ , und die Beifahrerseite an die senkrechten Anschlüsse des Hauptbremszylinder angeschlossen.
Allgemeine Frage: vom Prinzip her könnten die Anschlüsse auch vertauscht werden. Hauptsache es wird
jeweils eine vordere und eine hintere Kammer des BKV für eine Seite belegt, oder ?
Gruß Lothar
Re: Hauptbremszylinder - Anschlüsse
Verfasst: Mo 12. Okt 2020, 12:41
von Maschalab
Hallo Lothar,
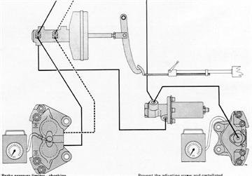
eigentlich ist das im Reparaturhandbuch gut beschrieben:
Bremsleitungen lösen:
1 vorne rechts 2. Bremskreis
2 vorne links 2. Bremskreis
3 vorne rechts 1. Bremskreis
4 vorne links 1. Bremskreis
5 Bremsen hinten 1. Bremskreis
Hauptbremszylinder vom Bremskraftverstärker abschrauben.
Einbauhinweis: Position der Dichtstopfen im Hauptbremszylinder überprüfen und Schlaufen auf Schäden überprüfen.
Vier Anschlüsse sind für die vorderen Bremssättel vorgesehen. Nummer 5 bedient beide (!) hinteren Bremssättel über den Bremsdruckbegrenzer.

- 34100002_tn.jpg (15.21 KiB) 4906 mal betrachtet
Hoffe das ist jetzt klar.
Gruß
Uli
Re: Hauptbremszylinder - Anschlüsse
Verfasst: Mo 12. Okt 2020, 13:19
von lothar
Vielen lieben Dank Uli ,
( und Thomas )
da ich leider kein Reparaturhandbuch habe ist das natürlich jetzt so übermittelt
einfach klasse !!!
Danke nochmals,
Gruß vom Rande der Eifel
Lothar