von e3tom » Fr 13. Jan 2023, 02:28
Hallo Peter,
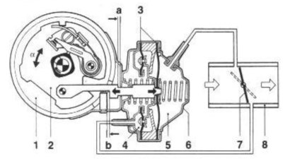
wenn man sich den Schnitt durch die Doppeldose ansieht, scheint es, dass die Rückstellfeder für die Spät-Seite vielleicht gebrochen (oder verrostet) ist. Kann z.B. passieren, wenn der Verteiler mal falsch eingebaut wurde (mit der Dose nach unten und dem Zündkondensator nach oben), dann kann da Wasser reinlaufen und kommt nicht mehr raus.
3.5mm Hub für früh scheint mir etwas viel. Früh und spät sollten je ca. 2mm (ca. 8°KW) sein. Die Spätverstellung ist durch die dickere Rückstellfeder der Frühverstellung untergeordnet, d.h. wenn an beiden derselbe Unterdruck anliegt, geht es dennoch nach 'früh', Spätverstellung erfolgt also nur bei geschlossener DK (LL und Schiebebetrieb).
Einen 'Spät-Anschlag' hat die Grundplatte aber nicht wirklich.
Wenn Du die Stange reindrückst, sollte auf ca. halbem Weg der 'Früh-Anschlag' des Spätverstellungsteils spürbar sein.
Klappert in der Dose was, wenn Du sie schüttelst ?
Quintessenz: ja, ich denke, die ist hin ...
Gruss
Tom
- Dateianhänge
-

Hallo Peter,
wenn man sich den Schnitt durch die Doppeldose ansieht, scheint es, dass die Rückstellfeder für die Spät-Seite vielleicht gebrochen (oder verrostet) ist. Kann z.B. passieren, wenn der Verteiler mal falsch eingebaut wurde (mit der Dose nach unten und dem Zündkondensator nach oben), dann kann da Wasser reinlaufen und kommt nicht mehr raus.
3.5mm Hub für früh scheint mir etwas viel. Früh und spät sollten je ca. 2mm (ca. 8°KW) sein. Die Spätverstellung ist durch die dickere Rückstellfeder der Frühverstellung untergeordnet, d.h. wenn an beiden derselbe Unterdruck anliegt, geht es dennoch nach 'früh', Spätverstellung erfolgt also nur bei geschlossener DK (LL und Schiebebetrieb).
Einen 'Spät-Anschlag' hat die Grundplatte aber nicht wirklich.
Wenn Du die Stange reindrückst, sollte auf ca. halbem Weg der 'Früh-Anschlag' des Spätverstellungsteils spürbar sein.
Klappert in der Dose was, wenn Du sie schüttelst ?
Quintessenz: ja, ich denke, die ist hin ...
Gruss
Tom