Hallo zusammen,
zur Zeit komplettiere ich wieder die Elektrik in meinem 74er Csi .
Dabei habe ich folgende Frage, die glaube ich hier schon einmal beschrieben
wurde, ich aber mit den Antworten nicht klar komme.
Es geht um die 3-fach Steckverbindung zwischen den BKV und dem Druckfühler.
Ich hatte alle Kabelenden mit Nummern-Fähnchen versehen um diese wieder
korrekt positioniert zu bekommen. Leider ist mit ein Fähnchen während der Arbeiten
verloren gegangen, sodaß ich nicht mehr weis an welcher Position dieses weiße Doppelkabel
eingesteckt wird. Ich hoffe das anhand des Fotos klar wird , welche Verbindung ich meine
an der das Kabel mit meiner Nummer "1" eingesteckt wird.
Vielen Dank für Eure Hilfe !
Gruß vom Rande der
Lothar
74er CSI, 3-fach Steckverbindung zwischen BKV und Drückfühler
74er CSI, 3-fach Steckverbindung zwischen BKV und Drückfühler
Zuletzt geändert von lothar am Sa 4. Sep 2021, 23:02, insgesamt 2-mal geändert.
Re: 74er CSI, 3-fach Steckverbindung zwischen BKV und Drückfühler
hier noch das Foto dazu,
Gruß Lothar
Gruß Lothar
Re: 74er CSI, 3-fach Steckverbindung zwischen BKV und Drückfühler
Hallo zusammen,
ich bekomme anscheinend das Foto nicht geladen.
Vielleicht kann mich ein Csi Fahrer kurz anschreiben, damit ich
andersweitig kommunizieren kann.
Mein Auto: Csi 6/74
Wäre sehr nett, vielen Dank
Gruß vom Rande der Eifel
Lothar
ich bekomme anscheinend das Foto nicht geladen.
Vielleicht kann mich ein Csi Fahrer kurz anschreiben, damit ich
andersweitig kommunizieren kann.
Mein Auto: Csi 6/74
Wäre sehr nett, vielen Dank
Gruß vom Rande der Eifel
Lothar
Re: 74er CSI, 3-fach Steckverbindung zwischen BKV und Drückfühler
Hallo Lothar,
hilft dieses Foto Dir weiter? Links oben das Kabel mit der Nummer 17, rechts oben die beiden Kabel mit den Nummern 18 und 44!
Gruß aus dem Münsterland
Thomas
hilft dieses Foto Dir weiter? Links oben das Kabel mit der Nummer 17, rechts oben die beiden Kabel mit den Nummern 18 und 44!
Gruß aus dem Münsterland
Thomas
Re: 74er CSI, 3-fach Steckverbindung zwischen BKV und Drückfühler
Hallo Thomas ,
ist das deine original Verkabelung vom Csi , das hilft auf jeden Fall !!
Danke und Gruß
Lothar
ist das deine original Verkabelung vom Csi , das hilft auf jeden Fall !!
Danke und Gruß
Lothar
74er CSI, 3-fach Steckverbindung zwischen BKV und Drückfühler
Hallo Lothar,
ja, so sieht es bei mir original aus!
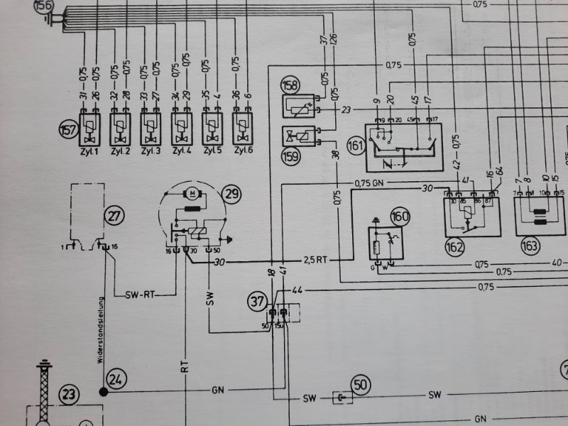
Im Stromlaufplan ist diese Steckverbindung mit Nr. 37 dargestellt. Du siehst nach oben abgehend die weißen Adern mit den Nummern 18 und 44 sowie 41(hatte ich fälschlicherweise als 1 gedeutet). Ader 41 geht zum Hauptrelais 162, Ader 44 geht zum Kaltstartrelais 168 und Ader 18 zum Steuergerät.
Die beiden schwarzen Adern gehen zum Anlasser und zum Zündanlaßschalter, die grünen zur Zündspule und auch zum Zündanlaßschalter.
Bei mir sind allerdings drei grüne Adern angeschlossen, zusätzlich ist noch einseitig eine grüne Ader mit einem weißen Ring aufgelegt, hier ist allerdings nichts angeschlossen. War wohl vorher (bis ´73) die Verschaltung zur Benzinpumpe ?
Gruß
Thomas
ja, so sieht es bei mir original aus!
Im Stromlaufplan ist diese Steckverbindung mit Nr. 37 dargestellt. Du siehst nach oben abgehend die weißen Adern mit den Nummern 18 und 44 sowie 41(hatte ich fälschlicherweise als 1 gedeutet). Ader 41 geht zum Hauptrelais 162, Ader 44 geht zum Kaltstartrelais 168 und Ader 18 zum Steuergerät.
Die beiden schwarzen Adern gehen zum Anlasser und zum Zündanlaßschalter, die grünen zur Zündspule und auch zum Zündanlaßschalter.
Bei mir sind allerdings drei grüne Adern angeschlossen, zusätzlich ist noch einseitig eine grüne Ader mit einem weißen Ring aufgelegt, hier ist allerdings nichts angeschlossen. War wohl vorher (bis ´73) die Verschaltung zur Benzinpumpe ?
Gruß
Thomas
Re: 74er CSI, 3-fach Steckverbindung zwischen BKV und Drückfühler
Hallo Thomas,
vielen Dank für die ausführlichen Informationen !!
Damit komme ich auf jeden Fall weiter.
Wofür ist in dieser Steckverbindung eigentlich der
mittlere Anschluss, der nicht belegt ist , vielleicht
etwas für die Vergaser-Modelle ?
Nochmals Danke für die Infos,
Gruß vom Rande der Eifel
Lothar
vielen Dank für die ausführlichen Informationen !!
Damit komme ich auf jeden Fall weiter.
Wofür ist in dieser Steckverbindung eigentlich der
mittlere Anschluss, der nicht belegt ist , vielleicht
etwas für die Vergaser-Modelle ?
Nochmals Danke für die Infos,
Gruß vom Rande der Eifel
Lothar
Re: 74er CSI, 3-fach Steckverbindung zwischen BKV und Drückfühler
......wenn man nicht bis zum Ende liest
Du hattest den mittleren Anschluss ebenfalls mit
Ansteuerung Benzinpumpe für die Vergaser-Modelle beschrieben.
Lothar
Du hattest den mittleren Anschluss ebenfalls mit
Ansteuerung Benzinpumpe für die Vergaser-Modelle beschrieben.
Lothar
74er CSI, 3-fach Steckverbindung zwischen BKV und Drückfühler
Hallo Lothar,
nicht für die Vergasermodelle, die haben ja eine mechanisch angetriebene Benzinpumpe.
Die elektrisch angetriebene Benzinpumpe der Einspritzer wird über das Kraftstoffpumpenrelais angesteuert. Zur Versorgung geht zum Relais hin eine Ader grün-weiß, dann von hier zur Pumpe ebenfalls eine Ader in grün-weiß. Es gab ab ´74 eine Änderung der Verdrahtung vom Kraftstoffpumpenrelais hin zum Kaltstartrelais. Vielleicht wurde hier eine nicht mehr benötigte Ader grün-weiß in der Mitte des Steckers einfach aufgelegt. In den Stromlaufplänen ist dies leider nicht dokumentiert.
Gruß
Thomas
nicht für die Vergasermodelle, die haben ja eine mechanisch angetriebene Benzinpumpe.
Die elektrisch angetriebene Benzinpumpe der Einspritzer wird über das Kraftstoffpumpenrelais angesteuert. Zur Versorgung geht zum Relais hin eine Ader grün-weiß, dann von hier zur Pumpe ebenfalls eine Ader in grün-weiß. Es gab ab ´74 eine Änderung der Verdrahtung vom Kraftstoffpumpenrelais hin zum Kaltstartrelais. Vielleicht wurde hier eine nicht mehr benötigte Ader grün-weiß in der Mitte des Steckers einfach aufgelegt. In den Stromlaufplänen ist dies leider nicht dokumentiert.
Gruß
Thomas